Минск
Подшипники INA в Минске
Корзина
0.00

Шарнирная головка INA GIHNRK110-LO

Шарнирная головка INA GIHNRK110-LO
Шарнирная головка INA GIHNRK110-LO
Шарнирная головка INA GIHNRK110-LO
(0)
Наличие: много
0 руб.
До конца акции осталось:
00дн.
00час.
00мин.
Подарок при покупке
Дарим подарок при покупке данного товара
Выбрать подарок
Шарнирная головка INA GIHNRK110-LO
Шарнирная головка INA GIHNRK110-LO
(0)
Наличие: много
0 руб.


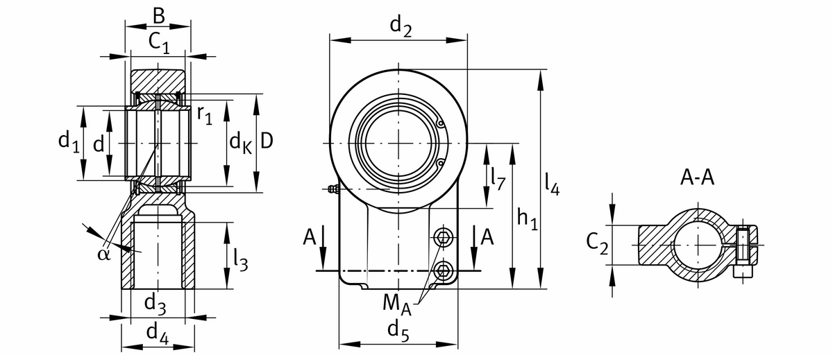
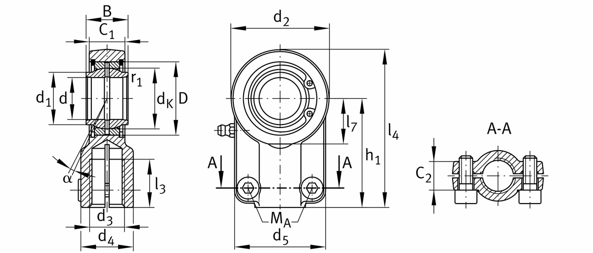
Гидравлическая шарнирная головка, с зажимом хвостовика винтами, правая резьба, смазываемая, пара скольжения: сталь/сталь, DIN 24338, ISO 6982, открытое исполнение

Основные
Ширина внутреннего кольца110 mm
Динамическая грузоподъемность, радиальная851.000 N
Статическая грузоподъемность, радиальная1.100.000 N
Вес31,9 kg
Мин. рабочая температура-60 °C
Макс. рабочая температура200 °C
Ширина62 mm
Диаметр отверстия подшипника110 mm
Наружный диаметр подшипника160 mm
Размер монтажной фаски1 mm
Диаметр сферы140 mm
Ширина внутреннего кольца, верхнее отклонение допуска0 mm
Ширина внутреннего кольца, нижнее отклонение допуска-0,35 mm
Диаметр отверстия подшипника, верхнее отклонение допуска0,035 mm
Радиальный зазор0,065 - 0,165
Radial clearance, maximum0,165 mm
Radial clearance, minimum0,065 mm
Диаметр отверстия подшипника, допускH7
Диаметр отверстия подшипника, нижнее отклонение допуска0 mm
Outer eye diameter235 mm
Общая длина шарнирной головки с внутренней резьбой364 mm
Tilt angle4 °
Ширина проушины шарнирной головки88 mm
Размер резьбыM90x3
Диаметр хвостовика125 mm
Диаметр хвостовика, большой190 mm
ДиаметрM20x60
Длина хвостовика c внутренней резьбой до центра отверстия шарнира235 mm
Длина резьбы, внутренняя резьба106 mm
Расстояние от центра отверстия шарнира до хвостовика105 mm
Момент затяжки385 Nm
Усилие цилиндра635.000 N
Outer flange diameter inner ring124 mm
Нет информации о наличии товара

Мы стараемся максимально лояльно подходить к выбору способов доставки товаров из нашего магазина, чтобы наши клиенты получали необходимое качество по наименьшей цене.

Курьером по городу

Курьером (пн-пт). Курьер доставит товар в день заказа с 18 до 21.00 (при условии, что заказ сформирован до 18.00), либо вечером следующего дня (если заказ сформирован после 18.00).

Самовывозом

Вы можете забрать заказанный на сайте товар в любой день и удобное Вам время. Часы работы и контактный телефон магазина можно узнать здесь. Забронированный товар будет дожидаться Вас в течении двух рабочих дней.

Персональные рекомендации