Минск
Подшипники INA в Минске
Корзина
0.00

Шарнирная головка INA GIHRK110-DO

Шарнирная головка INA GIHRK110-DO
Шарнирная головка INA GIHRK110-DO
Шарнирная головка INA GIHRK110-DO
(0)
Наличие: много
0 руб.
До конца акции осталось:
00дн.
00час.
00мин.
Подарок при покупке
Дарим подарок при покупке данного товара
Выбрать подарок
Шарнирная головка INA GIHRK110-DO
Шарнирная головка INA GIHRK110-DO
(0)
Наличие: много
0 руб.


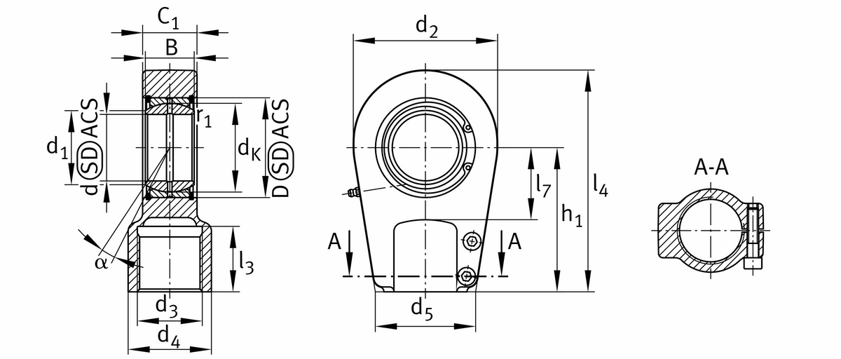
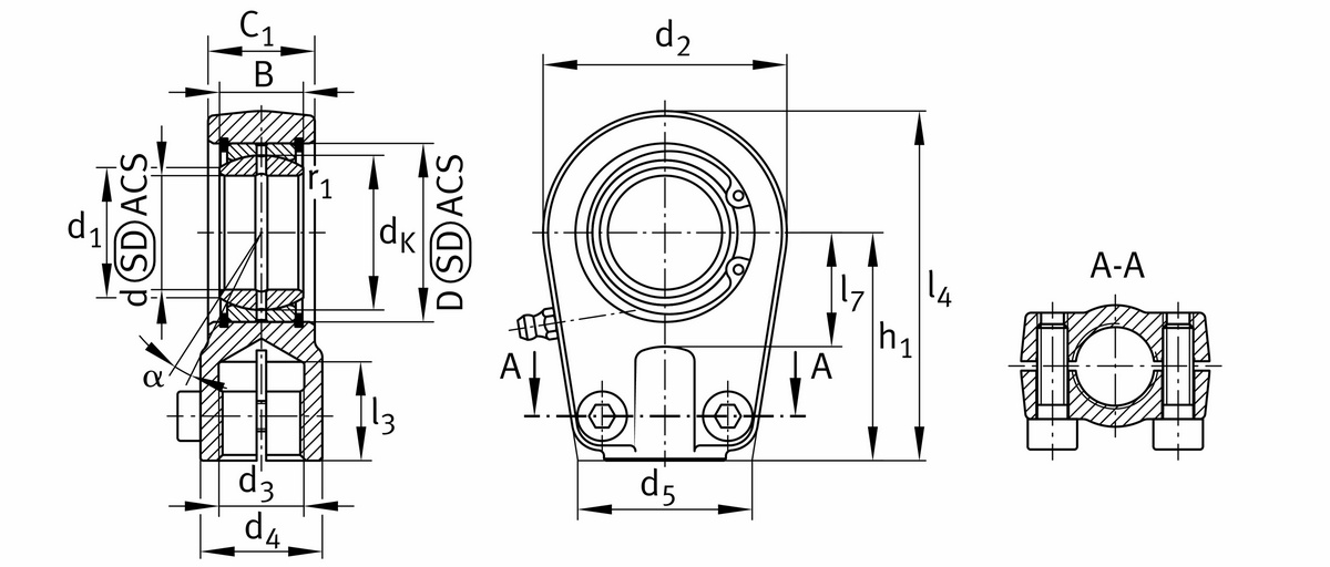
Гидравлическая шарнирная головка, с зажимом хвостовика винтами, правая резьба, смазываемая, пара скольжения: сталь/сталь, открытое исполнение

Основные
Ширина внутреннего кольца70 mm
Динамическая грузоподъемность, радиальная851.000 N
Статическая грузоподъемность, радиальная1.700.000 N
Вес43,9 kg
Мин. рабочая температура-60 °C
Макс. рабочая температура200 °C
Ширина74 mm
Диаметр отверстия подшипника110 mm
Наружный диаметр подшипника160 mm
Размер монтажной фаски1 mm
Диаметр сферы140 mm
Ширина внутреннего кольца, верхнее отклонение допуска0 mm
Ширина внутреннего кольца, нижнее отклонение допуска-0,2 mm
Диаметр отверстия подшипника, верхнее отклонение допуска0 mm
Радиальный зазорCN
Radial clearance, maximum0,165 mm
Radial clearance, minimum0,065 mm
Диаметр отверстия подшипника, допуск0.02
Диаметр отверстия подшипника, нижнее отклонение допуска-0,02 mm
Outer eye diameter265 mm
Общая длина шарнирной головки с внутренней резьбой407,5 mm
Tilt angle6 °
Ширина проушины шарнирной головки80 mm
Размер резьбыM120x3
Диаметр хвостовика152 mm
Диаметр хвостовика, большой220 mm
ДиаметрM24x70
Длина хвостовика c внутренней резьбой до центра отверстия шарнира265 mm
Длина резьбы, внутренняя резьба124 mm
Расстояние от центра отверстия шарнира до хвостовика115 mm
Момент затяжки660 Nm
Outer flange diameter inner ring121,2 mm
Нет информации о наличии товара

Мы стараемся максимально лояльно подходить к выбору способов доставки товаров из нашего магазина, чтобы наши клиенты получали необходимое качество по наименьшей цене.

Курьером по городу

Курьером (пн-пт). Курьер доставит товар в день заказа с 18 до 21.00 (при условии, что заказ сформирован до 18.00), либо вечером следующего дня (если заказ сформирован после 18.00).

Самовывозом

Вы можете забрать заказанный на сайте товар в любой день и удобное Вам время. Часы работы и контактный телефон магазина можно узнать здесь. Забронированный товар будет дожидаться Вас в течении двух рабочих дней.

Персональные рекомендации