Минск
Подшипники INA в Минске
Корзина
0.00

Шарнирная головка INA GIHRK120-DO

Шарнирная головка INA GIHRK120-DO
Шарнирная головка INA GIHRK120-DO
Шарнирная головка INA GIHRK120-DO
(0)
Наличие: много
0 руб.
До конца акции осталось:
00дн.
00час.
00мин.
Подарок при покупке
Дарим подарок при покупке данного товара
Выбрать подарок
Шарнирная головка INA GIHRK120-DO
Шарнирная головка INA GIHRK120-DO
(0)
Наличие: много
0 руб.


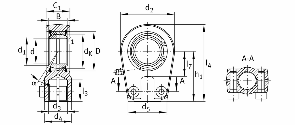
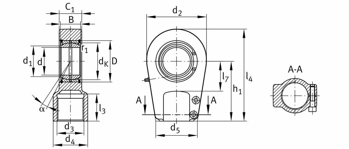
Гидравлическая шарнирная головка, с зажимом хвостовика винтами, правая резьба, смазываемая, пара скольжения: сталь/сталь, открытое исполнение

Основные
Ширина внутреннего кольца85 mm
Динамическая грузоподъемность, радиальная1.240.000 N
Статическая грузоподъемность, радиальная2.370.000 N
Вес75,9 kg
Мин. рабочая температура-60 °C
Макс. рабочая температура200 °C
Диаметр отверстия подшипника120 mm
Наружный диаметр подшипника180 mm
Размер монтажной фаски1 mm
Диаметр сферы160 mm
Ширина внутреннего кольца, верхнее отклонение допуска0 mm
Ширина внутреннего кольца, нижнее отклонение допуска-0,2 mm
Диаметр отверстия подшипника, верхнее отклонение допуска0 mm
Радиальный зазор0,065 - 0,165
Radial clearance, maximum0,165 mm
Radial clearance, minimum0,065 mm
Диаметр отверстия подшипника, нижнее отклонение допуска-0,02 mm
Outer eye diameter340 mm
Общая длина шарнирной головки с внутренней резьбой490 mm
Tilt angle6 °
Ширина проушины шарнирной головки90 mm
Размер резьбыM130x3
Диаметр хвостовика172 mm
Диаметр хвостовика, большой217 mm
ДиаметрM24x80
Длина хвостовика c внутренней резьбой до центра отверстия шарнира310 mm
Длина резьбы, внутренняя резьба135 mm
Расстояние от центра отверстия шарнира до хвостовика140 mm
Момент затяжки660 Nm
Outer flange diameter inner ring135,6 mm
Нет информации о наличии товара

Мы стараемся максимально лояльно подходить к выбору способов доставки товаров из нашего магазина, чтобы наши клиенты получали необходимое качество по наименьшей цене.

Курьером по городу

Курьером (пн-пт). Курьер доставит товар в день заказа с 18 до 21.00 (при условии, что заказ сформирован до 18.00), либо вечером следующего дня (если заказ сформирован после 18.00).

Самовывозом

Вы можете забрать заказанный на сайте товар в любой день и удобное Вам время. Часы работы и контактный телефон магазина можно узнать здесь. Забронированный товар будет дожидаться Вас в течении двух рабочих дней.

Персональные рекомендации