Минск
Подшипники INA в Минске
Корзина
0.00

Шарнирная головка INA GIL20-DO

Шарнирная головка INA GIL20-DO
Шарнирная головка INA GIL20-DO
(0)
Наличие: много
0 руб.
До конца акции осталось:
00дн.
00час.
00мин.
Подарок при покупке
Дарим подарок при покупке данного товара
Выбрать подарок
Шарнирная головка INA GIL20-DO
Шарнирная головка INA GIL20-DO
(0)
Наличие: много
0 руб.


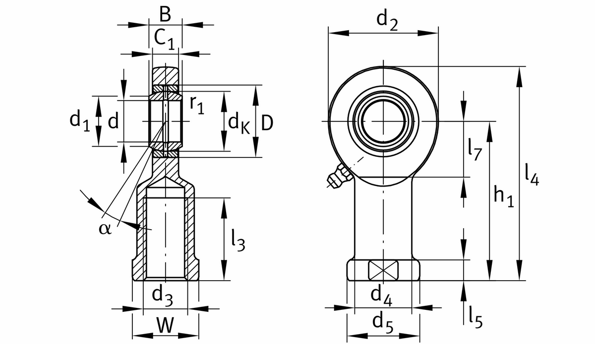
Шарнирная головка с внутренней резьбой, левая резьба, обслуживаемая, пара скольжения: сталь/сталь, DIN ISO 12240-4, размерная серия E, форма F, открытое исполнение

Основные
Ширина внутреннего кольца16 mm
Динамическая грузоподъемность, радиальная38.500 N
Статическая грузоподъемность, радиальная75.600 N
Вес0,357 kg
Мин. рабочая температура-50 °C
Макс. рабочая температура200 °C
Диаметр отверстия подшипника20 mm
Наружный диаметр подшипника35 mm
Размер монтажной фаски0,3 mm
Диаметр сферы29 mm
Угол опрокидывания9 °
Ширина внутреннего кольца, верхнее отклонение допуска0 mm
Ширина внутреннего кольца, нижнее отклонение допуска-0,12 mm
Диаметр отверстия подшипника, верхнее отклонение допуска0 mm
Радиальный зазор0,03 - 0,082
Radial clearance, maximum0,082 mm
Radial clearance, minimum0,03 mm
Диаметр отверстия подшипника, нижнее отклонение допуска-0,01 mm
Общая длина шарнирной головки с внутренней резьбой103,5 mm
Ширина проушины шарнирной головки13 mm
Размер резьбыM20x1,5
Диаметр хвостовика27,5 mm
Диаметр хвостовика, большой35 mm
Длина хвостовика c внутренней резьбой до центра отверстия шарнира77 mm
Длина резьбы, внутренняя резьба40 mm
Расстояние от центра отверстия шарнира до хвостовика27 mm
Размер под ключ32 mm
Длина хвостовика шарнирной головки10 mm
Наружный диаметр проушины53 mm
Наружный диаметр торца внутреннего кольца24,1 mm
Нет информации о наличии товара

Мы стараемся максимально лояльно подходить к выбору способов доставки товаров из нашего магазина, чтобы наши клиенты получали необходимое качество по наименьшей цене.

Курьером по городу

Курьером (пн-пт). Курьер доставит товар в день заказа с 18 до 21.00 (при условии, что заказ сформирован до 18.00), либо вечером следующего дня (если заказ сформирован после 18.00).

Самовывозом

Вы можете забрать заказанный на сайте товар в любой день и удобное Вам время. Часы работы и контактный телефон магазина можно узнать здесь. Забронированный товар будет дожидаться Вас в течении двух рабочих дней.

Персональные рекомендации