Минск
Подшипники INA в Минске
Корзина
0.00

Стол линейного перемещения INA LTS40-230-3240-M-0

Стол линейного перемещения INA LTS40-230-3240-M-0
Стол линейного перемещения INA LTS40-230-3240-M-0
Стол линейного перемещения INA LTS40-230-3240-M-0
Стол линейного перемещения INA LTS40-230-3240-M-0
Стол линейного перемещения INA LTS40-230-3240-M-0
(0)
Наличие: много
0 руб.
До конца акции осталось:
00дн.
00час.
00мин.
Подарок при покупке
Дарим подарок при покупке данного товара
Выбрать подарок
Стол линейного перемещения INA LTS40-230-3240-M-0
Стол линейного перемещения INA LTS40-230-3240-M-0
(0)
Наличие: много
0 руб.


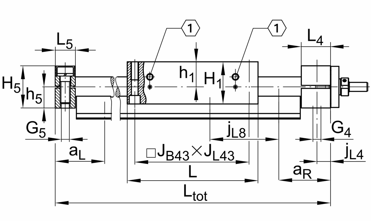
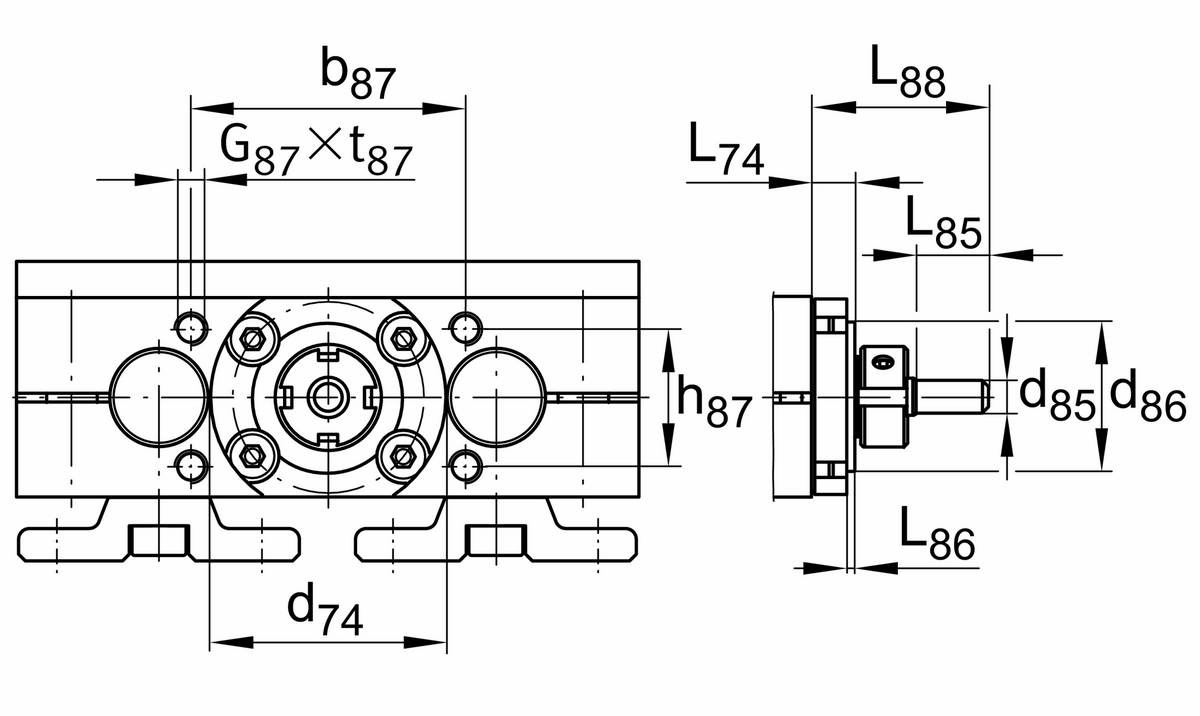
Основные
Unnamed: 21122 mm
Total Height95 mm
Total Width230 mm
Tolerance h740 mm
ThreadM16
Depth of Thread18 mm
Mass of Carriage9,2 kg
Maximum Speed2 m/s
Maximum Acceleration20 m/s2
Load direction I: compressive load18.400 N
Load direction II: tensile load12.500 N
Load direction III: lateral load14.910 N
Load capacity fixed Spindle bearing dyn26.000 N
Load capacity fixed Spindle bearing stat47.000 N
Spindle Diameter32 mm
Spindle Pitch40 mm
Mass moment of inertia of threaded Spindle6,43 kg*cm2
Tolerance ±0,256 mm
Minimum operating Temperatur0 °C
Maximum operating Temperatur80 °C
Height of Shaft Support Blocks72 mm
Tolerance g772 mm
Length of Shaft Support Block with Drive System42 mm
Length of Shaft Support Block without drive System30 mm
Load capacity Spindle Nut dyn 314.900 N
Length of carriage230 mm
Height of carriage77 mm
Maximum length5.850 mm
Safety distance40 mm
Diameter drive shaft, Tolerance h7 116 mm
Load direction III: lateral load 216.800 N
Load capacity Spindle Nut stat 432.400 N
Max. permissible static moment per Carriage 4730 Nm
Нет информации о наличии товара

Мы стараемся максимально лояльно подходить к выбору способов доставки товаров из нашего магазина, чтобы наши клиенты получали необходимое качество по наименьшей цене.

Курьером по городу

Курьером (пн-пт). Курьер доставит товар в день заказа с 18 до 21.00 (при условии, что заказ сформирован до 18.00), либо вечером следующего дня (если заказ сформирован после 18.00).

Самовывозом

Вы можете забрать заказанный на сайте товар в любой день и удобное Вам время. Часы работы и контактный телефон магазина можно узнать здесь. Забронированный товар будет дожидаться Вас в течении двух рабочих дней.

Персональные рекомендации